CN-901HP with true peak power readout.
All Daiwa SWR meters can be selected to display average or peak power. The PEP value is found by different charge/discharge constants and therefore is not very precise.
In contrast to that the new CN-901HP has a true, active peak envelope power (PEP) reading which is important for PSK31 and other digital modes. This function requires an external 12V DC power supply.
The CN-802HP-3 has a max. range of 3000 Watts (compared to 2000 W of the CN-802HP).
Specifications:
- Frequency Range: 1.8 – 200
- Power ranges: 30/300/3000* Watts
- Min. power for SWR measurement: 5 Watts
- Connectors type: PL
- Saze of instrument: 93×67
- Size of case: 155x109x120
- Tolerance: ±10% of full range
- Price at WIMO.com: 179.00 €
* At the 2m range max power load is 1000 Watts.
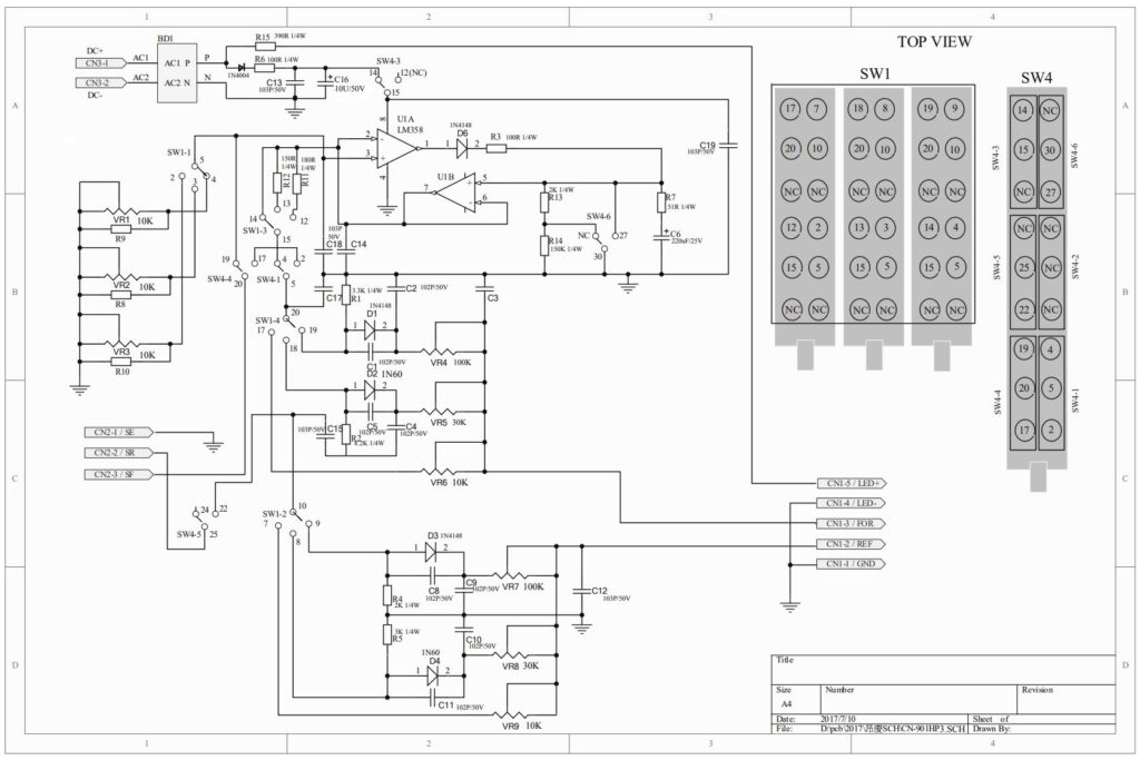
CN-901HP-3 Schematic diagram (very rare):

