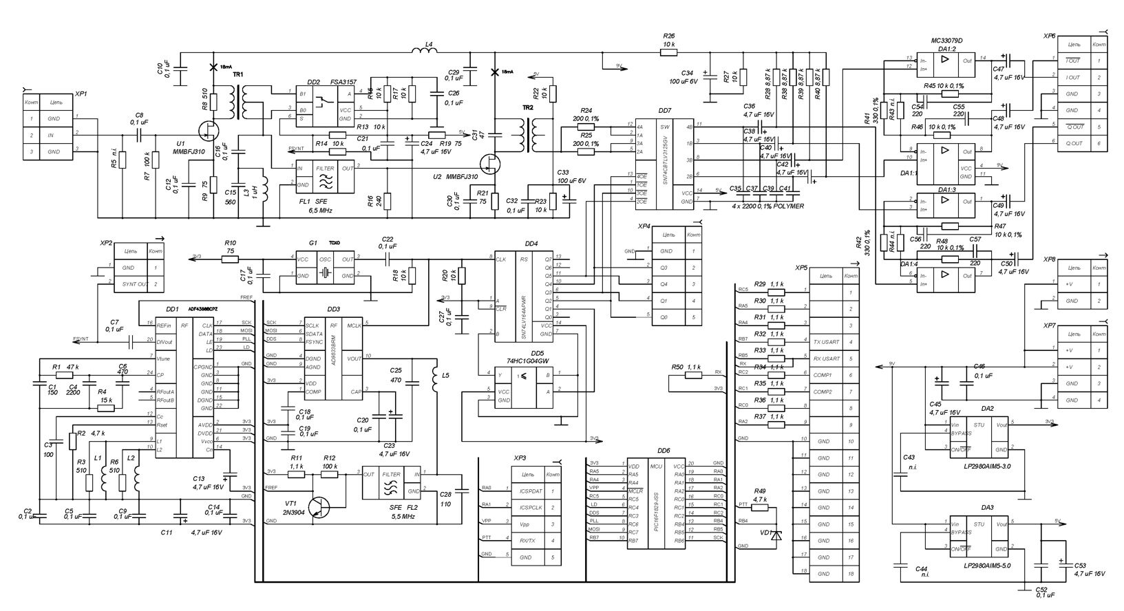
Specifications:
Span to 192 kHz, determined the PC sound card
Inter-modulation free dynamic range over 90dB
Frequency range 0.1 to 80 MHz
Oscillator TCXO 0,5 ppm
Sensitivity consistent source 50 Ohm than 0.2 mV (BW = 500Hz)
Highly dynamic mixer and demodulator
Compact size WxDxH: 35h – 60h – 10mm
Balanced and unbalanced outputs
Powered by CAT with PowerSDR, as well as other programs and TRX
Supports the tuning knob and LCD display
Low-noise synthesizer with 1Hz step
More than 40 models supported transceivers, including and homemade
Select Model TRX jumpers, no soldering and reprogramming
Can be used as a stand alone unit (no transceiver)
micro SDR works with:
Alinco DX-77T, DX-SR8
Elecraft K2, K3
Icom IC-703, 706, 718, 735, 745, 746, 756, 761, 765, 775, 7200, 7600, 820, 821, 910, 970
JRC JST-245
Kenwood TS-50, 450, 480, 570, 590, 690, 850, 870, 950, 990, 2000
Ten-Tec Orion I, II, Omni VII, Eagle 599
Yaesu FT-100, 450, 817, 840, 857, 897, 900, 920, 950, 990, 1000D, 1000MP, 2000, DX5000
P-160P, R-399A russian military receivers
Homemade with the drive 8,865, 9.0 and 10.7 MHz
And others…
Detailed Description PDF (Russian)
Price: $95 USD



